Naslovna > Prirubnica sa grlom
Prirubnica sa grlom
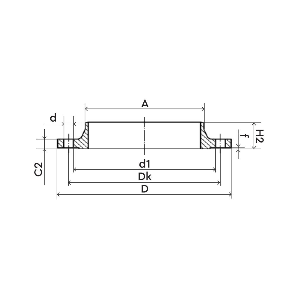
Tehnicki podaci
FEROPLAST je uspostavio program proizvodnje prirubnica sa grlom u čelično-zavarenoj izvedbi kako bi se mogla kompletirati ponuda standardnih čeličnih prirubnica.
Program prirubnica sa grlom obuhvata proizvodnju čeličnih prirubnica koje se izrađuju mašinskom obradom zavarene konstukcije od čelične cevi i pločastih materijala.
Svi tipovi prirubnica sa grlom osnovnog programa, tipovi zaptivnih površina i odgovarajuće priključne mere usklađene su sa zahtevima aktuelnog standarda EN 1092-1 za čelične prirubnice.
Materijali:
U skladu sa zahtevima standarda EN 1092-1, prirubnice osnovnog programa se
izrađuju od sledećih materijala:
- čelik S235JRG, prema standardu EN 10025-2, grupa materijala 1E1 – pločasti materijal,
- čelik P235TR1, prema standardu EN 10217 –materijal cevi,
FEROPLAST zahteva od isporučioca osnovnog materijala da svaku isporuku prati sertifikat o kvalitetu materijala u skladu sa standardom EN 10204.
Na zahtev:
Prirubnica sa grlom u čelično-zavarenoj izvedbi može biti sa drugim merama i drugih oblika, prema drugim standardima i izrađena od drugim materijala.
Na zahtev, možemo izraditi prirubnice sa grlom u čelično-zavarenoj izvedbi do veličine DN 2400.

Na zahtev
Cena: RSD
