Naslovna > Obujmica za cevi tip 02
Obujmica za cevi tip 02
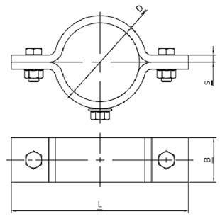
Tehnicki podaci
FEROPLAST OBUJMICA ZA CEV TIP 02 namenjena je pričvršćivanju, fiksiranju i kačenju cevi. Ovaj proizvod spada u pribor za fiksiranje i kačenje rastavljivog tipa. OC obujmica za cevi predviđena je za ugradnju u horizontalni i vertikalni cevovod. Obujmica za cevi postavlja se oko cevi spajanjem rastavljivih polutki tipično na sredini cevicevovoda. Ugradne dimenzije su prema tabeli i odgovaraju standardnim cevima.
Prednosti konstrukcije:
Obujmica za cevi je izrađena od traka kvalitetnih nelegiranih čelika.
Oblik i dimenzije obujmica su takvi da omogućavaju laku ugradnju na terenu. Postoji više tipova i mogu biti sa i bez gume.
Radni uslovi:
- Montaža: Postavljanjem oko cevi ili nekog drugog uređaja.
- Nazivne veličine: Prema tabeli.
- Ugradnja: U horizonatalni kao i vertikalni cevovod.
Materijali:
U osnovnoj izvedbi obujmica su od ugljeničnog čelika.
Naručivanje:
Prilikom naručivanja treba navesti sledeće podatke: Tip obujmice, nazivnu veličinu cevi (prečnik), nazivnu (ugradnu) dužinu i opciono sa ili bez gume.
Primer naručivanja:
OC tip2 DN80 s=8;
Na zahtev:
FEROPLAST OC obujmica za cevi mogu biti u potpunosti izrađeni od drugih materijala, za druge nazivne prečnike, drugog oblika (po crtežu naručioca) i sa drugim dimenzijama.

Na zahtev
Cena: RSD
