Naslovna > Prirubnica za spojeve sa tuljkom
Prirubnica za spojeve sa tuljkom
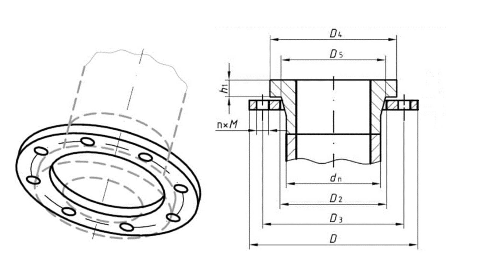
Tehnicki podaci
FEROPLAST PT slobodna prirubnica za tuljak je komponenta sklopa i namenjena je za pritezanje vijcima spoja PE ili PP cevovoda sa drugim cevovodom ili uređajem pod pritiskom. Koristi se isključivo u sklopu sa tuljkom koji se sučeono (termički) spaja sa cevi koja je deo cevovoda.
Za spoj se koristi kratki ili dugački tuljak od PE ili PP koji je izrađen prema standardu DIN 16963 -
Teil 4, a prirubnica je izrađena prema standardu ISO 9624, sa merama za sklop sistema za sučeono (termičko) spajanje.
Prednosti konstrukcije:
Mere FEROPLAST PT slobodne prirubnice za tuljak su u skladu sa standardom ISO 9624 za odgovarajući pritisak PN i spoljnji prečnik tuljka, odnosno cevi (videti tabele na sledećoj strani).
Prirubnica je predviđena za spajanje sa tuljkom (adapterom) za cev sa nazivnim spoljnjim prečnikom dn od 16 mm do 1000 mm, za nazivni pritisak do 16 bar (PN 16).
Prema standardu ISO 9624, sve date mere su predviđene za tuljak za sučeono (termičko) spajanje, za sisteme od polietilena (PE) i polipropilena (PP).
Za zaptivanje spoja treba koristiti zaptivač od mekog materijala prema preporukama proizvođača tuljaka.
Za pritezanje spoja treba koristiti metričke vijke male čvrstoće i odgovarajuće navrtke, prema preporukama proizvođača tuljaka.
Materijali:
U osnovnoj izvedbi, FEROPLAST PT slobodna prirubnica za tuljak se izrađuje od čelika S235JR (1.0038), sa merama prema standardu ISO 9624, za tuljak za sučeono spajanje sa cevi. Sve mere su date u tabelama na sledećoj strani.
Sve površine prirubnice su zaštićene plastificiranjem epoksidnim prahom sa konačnom debljinom sloja
od min. 250 µm.
Na zahtev:
FEROPLAST PT slobodna prirubnica za tuljak se može isporučiti od druge vrste čelika, sa drugom vrstom površinske zaštite ili za drugi nazivni pritisak, ili sa merama koje se razlikuju od mera iz tabela.

Na zahtev
Cena: RSD
