Naslovna > Ravna prirubnica
Ravna prirubnica
Tehnicki podaci
FEROPLAST je uspostavio program proizvodnje cevnih prirubnica kako bi se mogle kompletirati isporuke armatura i ostalih komponenti cevovoda iz celog proizvodnog programa.
Program prirubnica obuhvata proizvodnju čeličnih prirubnica koje se izrađuju mašinskom obradom iz pločastih materijala i okruglih šipki, u skladu sa aktuelnim standardima.
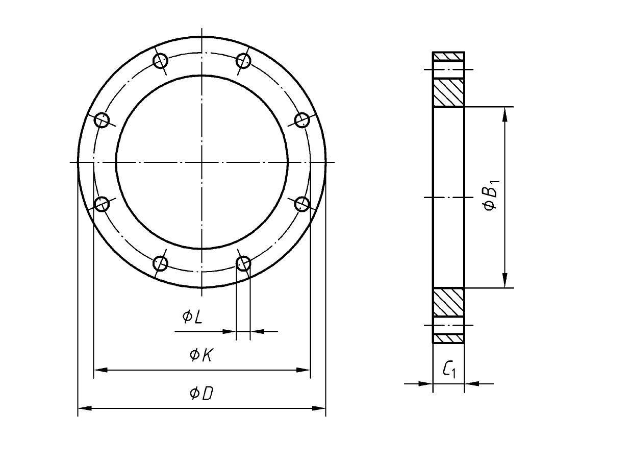
Osnovni program prirubnica sadrži tri tipa prirubnica:
- Ravna prirubnica za direktno zavarivanje na cev.
- Slobodna prirubnica:
Sama, za montažu na cev sa naknadnim povijanjem kraja (tip 33), na prsten sa grlom za zavarivanje na cev (tip 35), na dugački (tip 36) ili kratki (tip 37) nastavak povijene cevi za zavarivanje,
U kompletu sa zaptivnim prstenom koji se zavaruje na cev (tip 32).
- Slepa prirubnica.
Svi tipovi prirubnica osnovnog programa, tipovi zaptivnih površina i odgovarajuće mere usklađene su sa zahtevima aktuelnog standarda EN 1092-1 za čelične prirubnice. Pregled osnovnog proizvodnog programa prikazan je u tabeli 1, a tipovi zaptivnih površina, sa kotama i oznakama prema standardu, u tabeli 2.
Materijali:
U skladu sa zahtevima standarda EN 1092-1, prirubnice osnovnog programa se izrađuju od sledećih materijala:
- Čelik S235JR (1.0038), prema standardu EN 10025-2, grupa materijala 1E1,
- Čelik P265GH (1.0425), prema standardu EN 10028-2, grupa materijala 3E0.
FEROPLAST zahteva od isporučioca osnovnog materijala da svaku isporuku prati sertifikat o kvalitetu materijala u skladu sa standardom EN 10204:
- Za grupu materijala 1E1: sertifikat tip 2.1,
- Za grupu materijala 3E0: sertifikat tip 3.1.
Na zahtev:
FEROPLAST može isporučiti tipove prirubnica koji su prikazani u tabeli 1, prema zahtevima kupca u sledećim varijantama:
-Sve tipove prirubnica iz osnovnog proizvodnog programa sa drugim tipovima zaptivnih površina prema standardu EN 1092-1,
-Sve tipove prirubnica iz osnovnog proizvodnog programa od materijala drugih grupa prema standardu EN 1092-1,
-Tipove prirubnica, sa tipovima zaptivnih površina, od odgovarajućih materijala u skladu sa standardom ASME B16.5,
-Prirubnice drugih oblika i mera prema zahtevu, u okviru tehnoloških mogućnosti procesa proizvodnje.

Na zahtev
Cena: RSD
