Naslovna > Set za spajanje prirubnica
Set za spajanje prirubnica
Tehnicki podaci
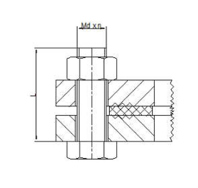
FEROPLAST SET ZA SPAJANJE PRIRUBNICA SSP služi za spajanje cevi preko
prirubnica. Sastoji se od vijaka, navrtki i prstenastih elastičnih podloški čiji broj i
veličina zavisi i u potpunosti je usklađena sa standardom za prirubnice EN 1092-1.
Radni uslovi:
- Montaža: Prirubnički spoj sa standardnim priključnim merama prirubnica,
- Nazivne veličine: DN 100 ... DN 1600,
- Nazivni pritisak: PN 6, PN 10, PN 16 i PN 25,
- Ugradnja: shodno položaju prirubnice.
Materijali:
U osnovnoj izvedbi, navrtka je izrađena po standardu i kvalitetu DIN 934 8Zn,
Prstenasta elastična podloška je izrađena po standardu i kvalitetu DIN 127b Zn a vijak je
izrađen po standardu i kvalitetu DIN 931 5.8 (8.8) Zn.
Na zahtev:
SSP set za spajanje prirubnica može biti izrađen od drugih materijala i sa drugim (većim) dužinama vijaka. Preko DN 600, po EN standardu, kupac određuje debljinu prirubnice a time i dužinu vijaka.
Set za spajanje prirubnica može biti sa i za druge nazivne otvore prirubnica i za druge nazivne pritiske (PN 40 , PN 63 i PN 100 i dr.).

Na zahtev
Cena: RSD
