Naslovna > MDK - Tip A
MDK - Tip A
Tehnicki podaci
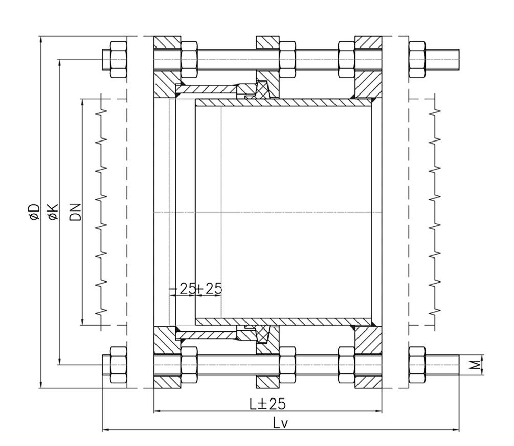
FEROPLAST MONTAŽNO DEMONTAŽNI KOMAD (MDK) se koristi kao komponenta cevovoda kojom se mogu rešiti odstupanja u dužinama deonica cevovoda. Projektom je teško predvideti apsolutno tačnu dužinu određene deonice cevovoda zbog raznih uslova koji se pojave na terenu, u toku izgradnje. Sva odstupanja do 50 mm (±25 mm) a za veće nazivne prečnike i do 100 mm (±50 mm), uspešno se mogu rešiti ugradnjom montažno-demontažnog komada. Ugradnja je vrlo jednostavna, montažno-demontažni komad se postavi između prirubnica cevovoda, otpuste se navrtke na priteznoj prirubnici zaptivača kliznog spoja i podesi potrebna dužina, a zatim pritegnu sve navrtke. Vijci i navrtke kojima se priteže zaptivač kliznog spoja su istovremeno i vijci za pritezanje prirubnica cevovoda i standardni su za odgovarajući DN i PN. Veličina montažno-demontažnog komada je određena standardnim veličinama DN i PN, a osnovne mere i ugradne dužine su date u tabelama.
Prednosti konstrukcije:
Montažno-demontažni komad je izrađen u zavarenoj konstrukciji, sastoji se od priključnih prirubnica, pritezne prirubnice zaptivača i tela od dve standardne cevi koje klize jedna u drugoj radi podešavanja dužine. Zaptivač kliznog dela je izrađen od kvalitetnog elastomera, sa specifičnim profilom koji omogućuje pouzdano zaptivanje kliznog spoja. Za vezu sa cevovodom nisu potrebni posebni vijci i navrtke - montažno-demontažni komad se isporučuje sa vijcima koji su dovoljno dugački i u maksimalno razvučenom položaju za spajanje sa prirubnicama cevovoda, u kombinaciji sa odgovarajućim navrtkama. Vijci i navrtke imaju mere i klasu čvrstoće koji su predviđeni standardima za prirubničke spojeve.
Radni uslovi:
Montaža: krajevi sa prirubnicama i vijcima za spajanje sa prirubnicama cevovoda
Nazivne veličine: DN 40...DN 2000
Nazivni pritisak: PN 10, PN 16, PN 25 i PN 40
Temperature: za zaptivač EPDM, -30°C...120°C
Radni fluid: voda, ili drugi fluid koji nije agresivan za ugljenični čelik i EPDM
Položaj ugradnje: proizvoljan, prema uslovima cevovoda
Odstupanje: ±25 mm do DN1200, ±50 mm preko DN1200.
Ispitivanje:
Svaki montažno-demontažni komad se na kraju proizvodnog ciklusa ispituje
pritiskom prema standardu EN 12266-1, P10 i P11 (čvrstoća i zaptivenost kućišta).
Materijali:
U osnovnoj izvedbi, priključne prirubnice i pritezna prirubnica su izrađene od ugljeničnog čelika, telo je od cevi od nelegiranog čelika, vijci i navrtke su normalnog nivoa čvrstoće prema EN 1515-1,2 (kombinacija 8.8/8).
Sve površine montažno-demontažnog komada su zaštićene plastificiranjem sa debljinom sloja najmanje 250 µm, a vijci i navrtke su zaštićeni cinkovanjem, sa slojem najmanje 12 µm.
Na zahtev:
Montažno-demontažni komad može biti izrađen od drugih materijala, priključne mere prirubnica mogu biti drugog oblika i prema drugim standardima, zaptivač i vijci i navrtke mogu biti od drugih materijala.
Na zahtev
Cena: RSD
